Taping
- Emboss
Carrier Tape
SMD Crystal
Resonators - Emboss
Carrier Tape
SMD Crystal
Oscillators - Radial
Tape
Crystal
Oscillators - Emboss
Carrier Tape
SMD Monolithic
Crystal Filters - Emboss
Carrier Tape
MEMS
Oscillators
Emboss Carrier Tape (SMD Crystal Resonators)
![]() |
![]() |
![]() |
■Standard Specification
MHz Band Crystal Resonators / Crystal Resouators with dedicated temperature sensor
| TYPEⅡ | a | b | c | d | e | f | t | A | B | W1 | W2 |
|---|---|---|---|---|---|---|---|---|---|---|---|
| DSX530GA | 3.6 ±0.1 |
5.45 ±0.10 |
12.0 ±0.2 |
5.50 ±0.10 |
8.0 ±0.1 |
1.55 ±0.10 |
0.30 ±0.05 |
φ180 +0/-3 |
φ60 +1.0/-0 |
13.0 +0.3 |
15.4 ±1.0 |
| DSX321G/GK DSX320GE |
2.8 ±0.1 |
3.5 ±0.1 |
8.0 ±0.2 |
3.50 ±0.05 |
4.0 ±0.1 |
1.0 ±0.1 |
0.25 ±0.05 |
φ180 +0/-3 |
φ60 +1/-0 |
9.0 ±0.3 |
11.4 ±1.0 |
| DSX321SH | 2.7 ±0.1 |
3.4 ±0.1 |
8.0 ±0.2 |
3.50 ±0.05 |
4.0 ±0.1 |
1.4 ±0.1 |
0.25 ±0.05 |
φ180 +0/-3 |
φ60.0 +1/-0 |
9.0 ±0.3 |
11.4 ±1.0 |
| DSX221SH | 2.25 ±0.1 |
2.7 ±0.1 |
8.0 ±0.2 |
3.50 ±0.05 |
4.0 ±0.1 |
0.8 ±0.05 |
0.25 ±0.05 |
φ180 +0/-3 |
φ60.0 +1/-0 |
9.0 ±0.3 |
11.4 ±1.0 |
| DSX211S/SH | 1.9 ±0.1 |
2.3 ±0.1 |
8.0 ±0.2 |
3.50 ±0.05 |
4.0 ±0.1 |
0.65 ±0.10 |
0.25 ±0.05 |
φ180 +0/-3 |
φ60.0 +1/-0 |
9.0 ±0.3 |
11.4 ±1.0 |
| DSX211G | 1.85 ±0.10 |
2.25 ±0.10 |
8.0 ±0.2 |
3.5 ±0.05 |
4.0 ±0.1 |
0.95 ±0.10 |
0.25 ±0.05 |
φ180 +0/-3 |
φ60 +1/-0 |
9.0 ±0.3 |
11.4 ±1.0 |
| DSX210GE | 2.0 ±0.1 |
2.4 ±0.1 |
8.0 ±0.2 |
3.5 ±0.05 |
4.0 ±0.1 |
0.95 ±0.1 |
0.25 ±0.05 |
φ180 +0/-3 |
φ60 +1/-0 |
9.0 ±0.3 |
11.4 ±1.0 |
| DSX1612S | 1.45 ±0.15 |
1.85 ±0.15 |
8.0 ±0.2 |
3.50 ±0.05 |
4.0 ±0.1 |
0.45 ±0.15 |
0.25 ±0.05 |
φ180 +0/-3 |
φ60 +1/-0 |
9.0 ±0.3 |
11.4 ±1.0 |
| DSX1210A | 1.17 ±0.05 |
1.42 ±0.05 |
8.0 +0.3/-0.1 |
3.50 ±0.05 |
4.0 ±0.1 |
0.48 ±0.05 |
0.20 ±0.05 |
φ180 +0/-3 |
φ60 +1/-0 |
9.0 ±0.3 |
11.4 ±1.0 |
| DX1008JS/JT | 1.0 ±0.05 |
1.2 ±0.05 |
8.0 ±0.2 |
3.50 ±0.05 |
4.0 ±0.1 |
0.45 ±0.05 |
0.20 ±0.05 |
φ180 +0/-3 |
φ60 +1/-0 |
9.0 ±0.3 |
11.4 ±1.0 |
| DSR221STH | 2.25 ±0.1 |
2.7 ±0.1 |
8.0 ±0.2 |
3.50 ±0.05 |
4.0 ±0.1 |
1.15 ±0.10 |
0.25 ±0.05 |
φ180 +0/-3 |
φ60 +1/-0 |
9.0 ±0.3 |
11.4 ±1.0 |
| DSR211STH | 1.9 ±0.1 |
2.3 ±0.1 |
8.0 ±0.2 |
3.50 ±0.05 |
4.0 ±0.1 |
0.85 ±0.10 |
0.25 ±0.05 |
φ180 +0/-3 |
φ60 +1/-0 |
9.0 ±0.3 |
11.4 ±1.0 |
| DSR1612ATH | 1.40 ±0.1 |
1.80 ±0.1 |
8.0 ±0.2 |
3.50 ±0.05 |
4.0 ±0.1 |
0.70 ±0.10 |
0.25 ±0.05 |
φ180 +0/-3 |
φ60 +1/-0 |
9.0 ±0.3 |
11.4 ±1.0 |
| DSR1210ATH | 1.3 ±0.1 |
1.5 ±0.1 |
8.0 ±0.2 |
3.50 ±0.05 |
4.0 ±0.1 |
0.65 ±0.01 |
0.25 ±0.05 |
φ180 +0/-3 |
φ60 +1/-0 |
9.0 ±0.3 |
11.4 ±1.0 |
| DST310SA | 1.70 ±0.05 |
3.40 ±0.05 |
12.0 ±0.2 |
5.50 ±0.05 |
4.0 ±0.1 |
0.95 ±0.05 |
0.25 ±0.05 |
φ180 +0/-3 |
φ60 +1/-0 |
13.0 ±0.3 |
15.5 ±1.0 |
|---|---|---|---|---|---|---|---|---|---|---|---|
| DST210AC | 1.45 ±0.1 |
2.3 ±0.1 |
8.0 ±0.2 |
3.50 ±0.05 |
4.0 ±0.1 |
0.65 ±0.10 |
0.20 ±0.05 |
φ180 +0/-3 |
φ60 +1/-0 |
9.0 ±0.3 |
11.4 ±1.0 |
| DST1610A | 1.28 ±0.05 |
1.79 ±0.05 |
8.0 +0.3/-0.1 |
3.50 ±0.05 |
4.0 ±0.1 |
0.65 ±0.10 |
0.20 ±0.05 |
φ180 +0/-3 |
φ60 +1/-0 |
9.0 ±0.3 |
11.4 ±1.0 |
| DST1210A | 1.17 ±0.05 |
1.42 ±0.05 |
8.0 +0.3/-0.1 |
3.50 ±0.05 |
4.0 ±0.1 |
0.48 ±0.05 |
0.20 ±0.05 |
φ180 +0/-3 |
φ60 +1/-0 |
9.0 ±0.3 |
11.4 ±1.0 |
| * |
|
Emboss Carrier Tape (SMD Crystal Oscillators)
![]() |
![]() |

■Standard Specification
VC-TCXO/TCXO
| TYPE | a | b | c | d | e | f | t | A | B | W1 | W2 |
|---|---|---|---|---|---|---|---|---|---|---|---|
| DSA/DSB535SGA DSA535SGB |
3.5 ±0.1 |
5.4 ±0.1 |
12.0 ±0.2 |
5.50 ±0.1 |
8.0 ±0.1 |
1.7 ±0.1 |
0.30 ±0.05 |
φ330 ±2 |
φ100 ±1 |
13.5 ±1.0 |
18.5 max. |
| DSA/DSB321SDN DSK321STD |
2.8 ±0.1 |
3.5 ±0.1 |
8.0 ±0.2 |
3.50 ±0.05 |
4.0 ±0.1 |
1.5 ±0.1 |
0.25 ±0.05 |
φ180 +0/-3 |
φ60 +1/-0 |
9.0 ±0.3 |
11.4 ±1.0 |
| DSA/DSB221SDN DSB221SJA |
2.3 ±0.1 |
2.8 ±0.1 |
8.0 ±0.2 |
3.50 ±0.05 |
4.0 ±0.1 |
1.15 ±0.1 |
0.30 ±0.05 |
φ180 +0/-3 |
φ60 +1/-0 |
9.0 ±0.3 |
11.4 ±1.0 |
| DA/DB2016AS DSA/DSB211SDN/SP DSB211SJA |
1.95 ±0.10 |
2.35 ±0.10 |
8.0 ±0.2 |
3.50 ±0.05 |
4.0 ±0.1 |
0.85 ±0.1 |
0.20 ±0.05 |
φ180 +0/-3 |
φ60 +1/-0 |
9.0 ±0.3 |
11.4 ±1.0 |
| DSA/DSB1612SDN DSB1612SEB |
1.4 ±0.10 |
1.8 ±0.10 |
8.0 ±0.2 |
3.50 ±0.05 |
4.0 ±0.1 |
0.7 ±0.1 |
0.25 ±0.05 |
φ180 +0/-3 |
φ60 +1/-0 |
9.0 ±0.3 |
11.4 ±1.0 |
| DSK1612ATD | 1.45 ±0.10 |
1.8 ±0.1 |
8.0 ±0.2 |
3.50 ±0.05 |
4.0 ±0.1 |
0.75 ±0.10 |
0.25 ±0.05 |
φ180 +0/-3 |
φ60 +1/-0 |
9.0 ±0.3 |
11.4 ±1.0 |
| TYPE | a | b | c | d | e | f | t | A | B | W1 | W2 |
|---|---|---|---|---|---|---|---|---|---|---|---|
| DSO751SR/SBM DSO753SK/SJ/SD |
5.5 ±0.1 |
7.9 ±0.1 |
16.0 ±0.3 |
7.5 ±0.1 |
8.0 ±0.1 |
2.4 ±0.1 |
0.30 ±0.05 |
φ254 ±2 |
φ80 ±0.5 |
17.0 ±0.5 |
21.0 ±1.0 |
| DSO531SR/SBM DSO533SK/SJ |
3.6 ±0.1 |
5.45 ±0.1 |
12.0 ±0.2 |
5.50 ±0.05 |
8.0 ±0.1 |
1.55 ±0.10 |
0.30 ±0.05 |
φ180 +0/-3 |
φ60 +1/-0 |
13.0 ±0.3 |
15.4 ±1.0 |
| DD3225TR/TS DS3225AD/AJ/AK DSO321SH/SR/SY/SBM/SHH/SRS DSO323SK/SJ/SD DSV321SV |
2.8 ±0.1 |
3.5 ±0.1 |
8.0 ±0.2 |
3.50 ±0.05 |
4.0 ±0.1 |
1.5 ±0.1 |
0.25 ±0.05 |
φ180 +0/-3 |
φ60 +1/-0 |
9.0 ±0.3 |
11.4 ±1.0 |
| DS2520AD/AJ/AK/AS DSO221SH/SR/SX/SY/SBM/SHH/SXF DSO223SD/SJ/SK DSV221SV |
2.3 ±0.1 |
2.8 ±0.1 |
8.0 ±0.2 |
3.50 ±0.05 |
4.0 ±0.1 |
1.15 ±0.10 |
0.30 ±0.05 |
φ180 +0/-3 |
φ60 +1/-0 |
9.0 ±0.3 |
11.4 ±1.0 |
| DS2016AD/AJ/AK/AS DSO211SX/SXF |
1.85 ±0.10 |
2.25 ±0.10 |
8.0 ±0.2 |
3.50 ±0.05 |
4.0 ±0.1 |
0.95 ±0.10 |
0.25 ±0.05 |
φ180 +0/-3 |
φ60 +1/-0 |
9.0 ±0.3 |
11.4 ±1.0 |
| DSO1612AR | 1.4 ±0.1 |
1.8 ±0.1 |
8.0 ±0.2 |
3.50 ±0.05 |
4.0 ±0.1 |
0.7 ±0.1 |
0.25 ±0.05 |
φ180 +0/-3 |
φ60 +1/-0 |
9.0 ±0.3 |
11.4 ±1.0 |
| DS1008JC/JJ/JK/JN/JS | 1.0 ±0.05 |
1.2 ±0.05 |
8.0 ±0.2 |
3.50 ±0.05 |
4.0 ±0.1 |
0.45 ±0.05 |
0.20 ±0.05 |
φ180 +0/-3 |
φ60 +1/-0 |
9.0 ±0.3 |
11.4 ±1.0 |
| * |
|
Radial Tape (Crystal Oscillators)
![]() |
Emboss Carrier Tape (SMD Monolithic Crystal Filters)
![]() |
![]() |

■Standard Specification
| TYPE | a | b | c | d | e | f | t | A | B | T | W |
|---|---|---|---|---|---|---|---|---|---|---|---|
| DSF753S SERIES | 5.6 ±0.1 |
7.6 ±0.1 |
16.0 ±0.3 |
7.5 ±0.1 |
8.0 ±0.1 |
1.7 ±0.1 |
0.30 ±0.05 |
φ178 ±2 |
φ60 +1/-0 |
1.2 ±0.5 |
17.0 ±0.3 |
| DSF633S SERIES | 4.0 ±0.1 |
6.5 ±0.1 |
12.0 ±0.2 |
5.5 ±0.05 |
8.0 ±0.1 |
1.7 ±0.1 |
0.30 ±0.05 |
φ178 ±2 |
φ60 +1/-0 |
1.2 ±0.5 |
13.0 ±0.3 |
| DSF444S SERIES | 4.0 ±0.1 |
4.0 ±0.1 |
12.0 ±0.3 |
5.5 ±0.1 |
8.0 ±0.1 |
1.5 ±0.1 |
0.30 ±0.05 |
φ178 ±2 |
φ60 +1/-0 |
1.2 ±0.5 |
13.0 ±0.3 |
| DSF334S SERIES | 3.2 ±0.1 |
3.2 ±0.1 |
8.0 ±0.2 |
3.5 ±0.05 |
4.0 ±0.1 |
1.5 ±0.1 |
0.25 ±0.05 |
φ178 ±2 |
φ60 +1/-0 |
1.2 ±0.5 |
9.0 ±0.3 |
| * |
|
Emboss Carrier Tape (MEMS Oscillators)
![]() |
![]() |

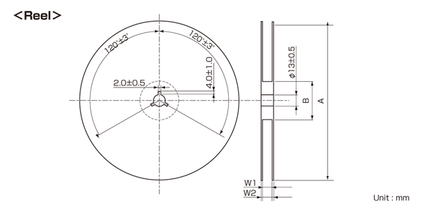
■Reel Standard Specification
| Tape Size |
A Max. |
B Min. |
C | D Min. |
N | W1 | W2 Max. |
|---|---|---|---|---|---|---|---|
| 8 | 180 | 1.5 | 13.0 +0.6/-0.2 |
20.2 | 60 +0.5/-0.5 |
8.4 +1.5/-0 |
14.4 |
| 8 | 330 | 1.5 | 13.0 +0.2/-0.2 |
20.2 | 100 +0.5/-0.5 |
8.4 +1.5/-0 |
14.4 |
| 12 | 330 | 1.5 | 13.0 +0.2/-0.2 |
20.2 | 100 +0.5/-0.5 |
12.4 +2.0/-0 |
18.4 |
| 12 | 180 | 1.5 | 13.0 +0.2/-0.2 |
20.2 | 60 +0.5/-0.5 |
12.4 +2.0/-0 |
18.4 |
| 16 | 330 | 1.5 | 13.0 +0.2/-0.2 |
20.2 | 100 +0.5/-0.5 |
16.4 +2.0/-0 |
22.4 |
| 16 | 180 | 1.5 | 13.0 +0.2/-0.2 |
20.2 | 60 +0.5/-0.5 |
16.4 +2.0/-0 |
22.4 |
| Package Outline Drawing |
Package Size |
Tape Size |
D0 | D1 Min. |
E1 | E2 >Min. |
F | P0 | P1 | P2 | T | T1 Max. |
T2 Max. |
W Max. |
A0 | B0 | K0 |
|---|---|---|---|---|---|---|---|---|---|---|---|---|---|---|---|---|---|
| POD-1 | 2.5x2.0 x0.75 |
12 | 1.5 +0.1/-0.0 |
1.5 | 1.75 ±0.1 |
10.25 | 5.5 ±0.05 |
4.0 ±0.1 |
4.0 ±0.1 |
2.0 ±0.05 |
0.6 | 0.1 | 1.65 | 12.3 | 2.3 ±0.10 |
2.8 ±0.10 |
1.10 ±0.10 |
| POD-1 | 2.5x2.0 x0.75 |
8 | 1.55 ±0.05 |
1.0 | 1.75 ±0.1 |
5.85 | 3.5 ±0.05 |
4.0 ±0.1 |
4.0 ±0.1 |
2.0 ±0.05 |
0.3 ±0.05 |
0.1 | 1.65 | 8.3 | 2.25 ±0.05 |
2.8 ±0.05 |
1.10 ±0.10 |
| POD-23 | 2.7x2.4 x0.75 |
12 | 1.55 ±0.05 |
1.0 | 1.75 ±0.1 |
9.85 | 5.5 ±0.05 |
4.0 ±0.1 |
4.0 ±0.1 |
2.0 ±0.05 |
0.3 ±0.05 |
0.1 | 1.55 | 12.3 | 2.65 ±0.10 |
2.95 ±0.10 |
1.00 ±0.10 |
| POD-23 | 2.7x2.4 x0.75 |
8 | 1.55 ±0.05 |
1.0 | 1.75 ±0.1 |
5.85 | 3.5 ±0.05 |
4.0 ±0.1 |
4.0 ±0.1 |
2.0 ±0.05 |
0.3 ±0.05 |
0.1 | 1.55 | 8.3 | 2.65 ±0.10 |
2.95 ±0.10 |
1.00 ±0.10 |
| POD-2 | 3.2x2.5 x0.75 |
12 | 1.5 +0.1/-0.0 |
1.5 | 1.75 ±0.1 |
10.25 | 5.5 ±0.05 |
4.0 ±0.1 |
4.0 ±0.1 |
2.0 ±0.05 |
0.6 | 0.1 | 1.65 | 12.3 | 2.8 ±0.10 |
3.5 ±0.10 |
1.10 ±0.10 |
| POD-2 | 3.2x2.5 x0.75 |
8 | 1.5 +0.1/-0.0 |
1.0 | 1.75 ±0.1 |
5.95 | 3.5 ±0.05 |
4.0 ±0.1 |
4.0 ±0.1 |
2.0 ±0.05 |
0.2 ±0.05 |
0.1 | 1.65 | 8.2 | 2.7 ±0.10 |
3.4 ±0.10 |
1.15 ±0.10 |
| POD-3 | 5.0x3.2 x0.75 |
12 | 1.5 +0.1/-0.0 |
1.5 | 1.75 ±0.1 |
10.25 | 5.5 ±0.05 |
4.0 ±0.1 |
8.0 ±0.1 |
2.0 ±0.05 |
0.6 | 0.1 | 1.65 | 12.3 | 3.5 ±0.10 |
5.3 ±0.10 |
1.10 ±0.10 |
| POD-4 | 7.0x5.0 x0.90 |
16 | 1.5 +0.1/-0.0 |
1.5 | 1.75 ±0.1 |
14.25 | 7.5 ±0.10 |
4.0 ±0.1 |
8.0 ±0.1 |
2.0 ±0.10 |
0.6 | 0.1 | 1.80 | 16.3 | 5.4 ±0.10 |
7.4 ±0.10 |
1.3 ±0.10 |
| POD-9 | 3.5x3.0 x0.30 |
12 | 1.5 +0.1/-0.0 |
1.5 | 1.75 ±0.1 |
10.25 | 5.5 ±0.05 |
4.0 ±0.1 |
8.0 ±0.1 |
2.0 ±0.05 |
0.6 | 0.1 | 1.65 | 12.3 | 3.3 ±0.10 |
3.8 ±0.10 |
0.65 ±0.10 |
| POD-26 | 2.0x1.6 x0.75 |
8 | 1.55 ±0.05 |
0.9 | 1.75 ±0.1 |
6.05 | 3.5 ±0.05 |
4.0 ±0.1 |
4.0 ±0.1 |
2.0 ±0.05 |
0.3 ±0.05 |
0.1 | 1.55 | 8.3 | 1.9 ±0.05 |
2.3 ±0.05 |
1.00 ±0.10 |
| POD-29 | 2.0x1.2 x0.60 |
8 | 1.55 ±0.05 |
1.0 | 1.75 ±0.1 |
6.05 | 3.5 ±0.05 |
4.0 ±0.1 |
4.0 ±0.1 |
2.0 ±0.05 |
0.25 ±0.05 |
0.1 | 1.55 | 8.3 | 1.9 ±0.05 |
2.3 ±0.05 |
1.00 ±0.10 |
| POD-32 | 1.5x0.8 x0.60 |
8 | 1.55 ±0.05 |
0.18 | 1.75 ±0.1 |
6.05 | 3.5 ±0.05 |
4.0 ±0.1 |
4.0 ±0.1 |
2.0 ±0.05 |
0.2 ±0.02 |
0.1 | 1.55 | 8.3 | 0.96 ±0.03 |
1.66 ±0.03 |
0.63 ±0.03 |
| SOT-23 | 2.8x1.6 x1.45 |
8 | 1.55 ±0.05 |
1.0 | 1.75 ±0.1 |
6.05 | 3.5 ±0.05 |
4.0 ±0.1 |
4.0 ±0.1 |
2.0 ±0.05 |
0.25 ±0.02 |
0.1 | 1.62 | 8.3 | 3.23 ±0.10 |
3.17 ±0.10 |
1.37 ±0.10 |
| Refer to datasheet for details of emboss carrier tape specifications |










